Home
Forums
New posts
Search forums
What's new
New posts
Latest activity
Log in
Register
What's new
Search
Search
Search titles only
By:
New posts
Latest activity
Menu
Log in
Register
Install the app
Install
Forums
What's new
JavaScript is disabled. For a better experience, please enable JavaScript in your browser before proceeding.
You are using an out of date browser. It may not display this or other websites correctly.
You should upgrade or use an
alternative browser
.
Latest activity
What's new
New posts
Latest activity
logistic_guy
replied to the thread
supported beam
.
This is the most difficult problem of all, so if we solve it, we can solve all of them! To give you a taste of how complex the formula...
Oct 29, 2025
logistic_guy
replied to the thread
Understanding differential equations with integrals
.
When you use \theta in the shear force equation, you need to bring up two or more equations to have a complete system that can cover all...
Oct 29, 2025
T
Tygra
replied to the thread
Understanding differential equations with integrals
.
Hi @logistic_guy , I have been looking at the equation: V = GA(\frac{dy}{dz} - \theta(z)) I want to see how including theta changes...
Oct 29, 2025
logistic_guy
posted the thread
vessels
in
Advanced Math
.
Consider two pressurized vessels of cylindrical and spherical shapes of mean radius r = 150 \ \text{mm}, constructed of...
Oct 29, 2025
S
scottbrandon
replied to the thread
Finance Question? What kind of equation am I looking for?
.
Let x x x be the Offer Price (OP). Then: Down Payment (DP) = 0.2x 0.2x 0.2x Refinance Total (RT) = 18,000,000 18,000,000 18,000,000...
Oct 29, 2025
logistic_guy
posted the thread
circular cylinder
in
Advanced Math
.
A solid circular cylinder of 100-\text{mm} diameter is subjected to a bending moment M = 3.375 \ \text{kN} \cdot \text{m}, an axial...
Oct 29, 2025
logistic_guy
posted the thread
steel pipe
in
Advanced Math
.
In the assembly shown in the figure, a 50-\text{mm} outer-diameter and 40-\text{mm} inner-diameter steel pipe \left(E = 200 \...
Oct 28, 2025
logistic_guy
posted the thread
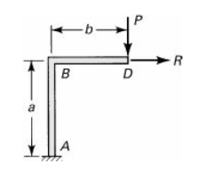
cantilever beam
in
Advanced Math
.
A cantilever beam of constant AE and EI is loaded as shown in the figure. Determine the vertical and horizontal deflections and the...
Oct 28, 2025
logistic_guy
posted the thread
steel I-beam
in
Advanced Math
.
A very long \text{S}127 \times 15 steel I-beam, 0.127-\text{m} deep, resting on a foundation for which k = 1.4 \ \text{MPa}, is...
Oct 28, 2025
logistic_guy
posted the thread
cylinder
in
Advanced Math
.
A cylinder of internal radius a and external radius b = 1.10a is subjected to \bold{(a)} internal pressure p_i only and \bold{(b)}...
Oct 28, 2025
logistic_guy
posted the thread
the biharmonic equation
in
Differential Equations
.
Referring to the figure, demonstrate that the biharmonic equation \nabla^4w = \frac{\partial^4 w}{\partial x^4} + 2\frac{\partial^4...
Oct 28, 2025
Forums
What's new
This site uses cookies to help personalise content, tailor your experience and to keep you logged in if you register.
By continuing to use this site, you are consenting to our use of cookies.
Accept
Learn more…
Top