Consider the circuit shown in the figure.

Scaletta

New member
Joined
Feb 25, 2021
Messages
7
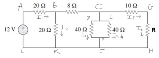
Consider the circuit shown in the figure. Determine (a) the current in the 40 Ω resistor on the right, (b) the power at the voltage source, and (c) the power at the 8 Ω resistor. Knowing that the value of R = 0 Ω.

1632637953180.png
 
Okay. I have to check first. Are you using Kirchoff's rules or are you simplifying resistors? And I presume [imath]R = 0 ~ \Omega[/imath] is the internal resistance of the source?

I have loaded a new image with some annotations for discussion. The capital letters indicate the corner locations.

-Dan
 

Attachments

  • Inked1632637953180_LI.jpg
    Inked1632637953180_LI.jpg
    841 KB · Views: 8
Hello, thank you for replying.
I am using Kirchhoff rules, however at certain times I also simplify resistors. Regarding the internal resistance of the source, it is not given by the problem statement, so it is an unknown value. Is it necessary to know that value to solve the problem?
Okay. I have to check first. Are you using Kirchoff's rules or are you simplifying resistors? And I presume [imath]R = 0 ~ \Omega[/imath] is the internal resistance of the source?

I have loaded a new image with some annotations for discussion. The capital letters indicate the corner locations.

-Dan
 
Hello, thank you for replying.
I am using Kirchhoff rules, however at certain times I also simplify resistors. Regarding the internal resistance of the source, it is not given by the problem statement, so it is an unknown value. Is it necessary to know that value to solve the problem?
No. If an internal resistance is not specified we usually just assume its [imath]0 ~ \Omega[/imath]. Sometimes in real circuit diagrams a small resistor is listed on the diagram to represent it.

I see now, though. Apparently they are telling you to ignore the resistor on the far right.

First: I forgot to list a current in the [imath]8 ~ \Omega[/imath] resistor so let's call that [imath]I_6[/imath] seeing as the R resistor doesn't actually exist.

Second: We are going to need a new current and a new node point. Call [imath]I_7[/imath] the current coming down out of the C node, and I am going to label M the point on the line DE that this current flows into.

What do we need? [imath]I_4[/imath], [imath]P = I_1 V[/imath], and [imath]I_6[/imath].

Frankly we are probably going to have to solve the whole mess. At least until we set up the system I can't see how to avoid it.

Options:
1) We can write a bunch of current relationships from the points B, C, and M. What are these?

2) Loop rules: As an example, how do you write the equation for the loop ABKLA?

If you are beyond this point please post what your equations (and the loops they came from, please!) and we'll go from there.

-Dan
 
Hello, thank you for replying.
I am using Kirchhoff rules, however at certain times I also simplify resistors. Regarding the internal resistance of the source, it is not given by the problem statement, so it is an unknown value. Is it necessary to know that value to solve the problem?
What are the equations that you have derived using Kirchoff's Law?
 
Top